Jeep Wrangler Forum banner

Obd2 port

18K views 17 replies 4 participants last post by  Digger84  
#1 ·
So I'm working on finishing up my recent frame swap on my 1998 Jeep Wrangler with the 4.0 and the 5 speed manual transmission when I hit a road block. My Jeep has a CEL and I tried using my code reader and my mechanics Snap-On code reader and my obd2 port is dead. The Jeep runs and drives but the obd2 port is dead and since I live in Massachusetts I need to be able to have them hook upto my obd port to pass inspection. Any idea on what it could be? Any help would be greatful
 
#2 ·
IF you don' have access to a FSM, Morris 4X4 has a view online. Search for Data link connector. the Connector Pin out is on page 8W-80-24

Start with checking for ground and B+ on those pins to rule out the easy stuff.
 
#3 ·
Couldn't find any sort of wiring diagrams. Is it fused somewhere? Everything works in the Jeep and I haven't touched any of the wiring on the inside of the Jeep. I followed the wires to a big bundle of them splitting off into two directions going for the headlight switch and the top plug on the drivers kick panel. Any new ideas would be greatful. No power to any of the pins
 
#9 ·
You may be checking the wrong pin at the connector. You would be getting data when running but not when not running. You should be getting constant 12v power from fuse 17 in the PDC which also powers the dome/courtesy lights, the under hood light & the radio. That should be pin 16, a pink/white wire, at the OCDII port.
 

Attachments

#11 ·
Without hooking up your reader, have you checked for power to pin 16 with a test light?

If everything else on the circuit (fuse 17) has power when key on, not running, but not to pin 16 you must have a wiring/connector problem.(?)

Also, when the reader is getting a signal, what code is it showing causing the CEL?
 
#12 ·
I have only checked for power to pin 16 with a voltmeter going from pin 4 to pin 16 not a test light.

Yes everything has power radio, hood light, and dome light. Does the 16 pin wire just run right into that plug on the drivers kick panel? Or does it go further then that and go else where? I've never pulled my dash apart so.

The code had been cleared when I replaced my battery
 
#13 ·
The only trouble with a volt meter is it will show voltage but it could be very low amperage voltage. A test light will better show that by whether the light is bright or dim. Also be sure ground at pin 4 is good. Pins 4 & 5 go through a few connectors & splice together before finally grounding to the engine block.

However, completely losing it the way you are is very odd.

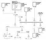
Here is a shot of the circuit. C-108 & C-203 are in the kick panel. Splice 204 is in the main harness crossing under the dash, looks like toward the center. You can see how if the other things are working the data link should too.

Edit to correct C-108 info
 

Attachments

#14 ·
Thinking about this a bit more, why don’t you tap into a known good power source & connect it to pin 16 to be sure that is really the problem. There is a relay for the cig lighter near the steering column that should work. There is a red/pink wire going to the relay that has constant B+ power from fuse 5 in the PDC.
 
#18 ·
I thought that besides the twisted pair CCD bus wires or on 2001 the single wire PCI bus there was a different bus wires for OBD

I know for example on OBD2 XJ with auto which are all CCD bus there is another bus wire with a different name the TCM uses to send codes readable at the OBD port

That is why the AW4 TCM has three bus wire pins


Sent from my iPod touch using Tapatalk